baner
Język: polski    Waluta:
   
Twój koszyk (0): 0.00 PLN
 
 
 

 
PRODUCENCI
 
 
 
 
LOGOWANIE
E-mail
Hasło
nie pamiętam hasła
 
 
 
 
NEWSLETTER
 
 

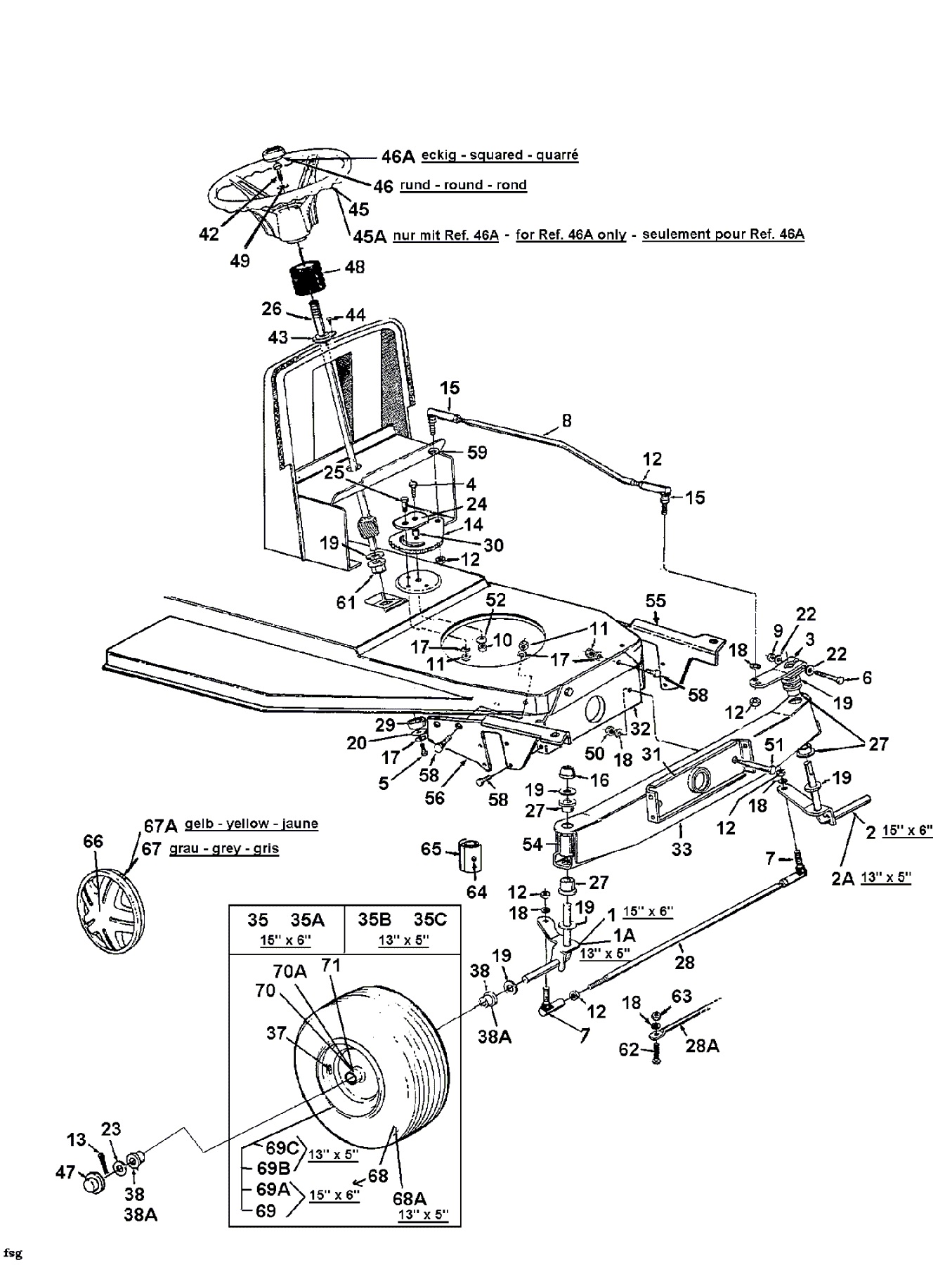
Kategorie / Technika maszyn ogrodniczych i leśnych / Katalogi  / MTD / Traktorki ogrodowe  / Części zamienne do kosiarki, traktorka MTD 11.5/32 / 136C450D678 (1996) 11.5/32 / Oś przednia 136C450D678 (1996)

 


1 17584A637
1A 683-0040A637
2 17585A637
2A 683-0041A637
3 683-0055
4 710-0152
5 710-0538
6 710-0772
7 723-3018
8 711-0838
9 712-0237
10 712-0241
11 712-3010
12 712-0262
13 714-0470
14 717-0622A
15 723-3018
16 726-0214
17 736-0119
18 736-0169
19 736-0187
20 736-0343
22 736-0271
23 736-0285
24 17198A
25 738-0141
26 738-0937
27 741-0659
28 747-0753
28A 747-0861
29 750-0532
30 750-0535
31 17548
32 17547
33 683-0128
35 634-0087
35A 634-0091
35B 634-0097
35C 634-0099
37 734-0255
38 741-0487A
38A 741-0569
42 710-0643
43 741-0501
44 710-0837
45 731-1693
45A 731-1687
46 731-0220
46A 731-1459
47 731-0484A
48 731-0954
49 736-0242
50 712-0431
51 738-0527
52 736-0356
54 731-1649
55 783-0255
56 783-0256
58 710-0604
59 736-0217
61 741-0225
62 710-0459
63 712-0711
64 737-0280
65 731-1291A
66 727-0425A
67 734-1613
67A 734-1787
68 734-0864
68A 734-0298
69 634-0088
69A 634-0090
69B 634-0096
69C 634-0098A
70 737-0211
70A 737-0280
71 737-0212
 

 
 
AKTUALNOŚCI
 
©    Oprogramowanie sklepu internetowego web-market.pl