baner
Język: polski    Waluta:
   
Twój koszyk (0): 0.00 PLN
 
 
 

 
PRODUCENCI
 
 
 
 
LOGOWANIE
E-mail
Hasło
nie pamiętam hasła
 
 
 
 
NEWSLETTER
 
 

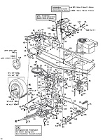
Kategorie / Technika maszyn ogrodniczych i leśnych / Katalogi  / MTD / Traktorki ogrodowe  / Części zamienne do kosiarki, traktorka MTD 11.5/32 / 136C450D678 (1996) 11.5/32

 
 
 
AKTUALNOŚCI
 
©    Oprogramowanie sklepu internetowego web-market.pl