baner
Język: polski    Waluta:
   
Twój koszyk (0): 0.00 PLN
 
 
 

 
PRODUCENCI
 
 
 
 
LOGOWANIE
E-mail
Hasło
nie pamiętam hasła
 
 
 
 
NEWSLETTER
 
 

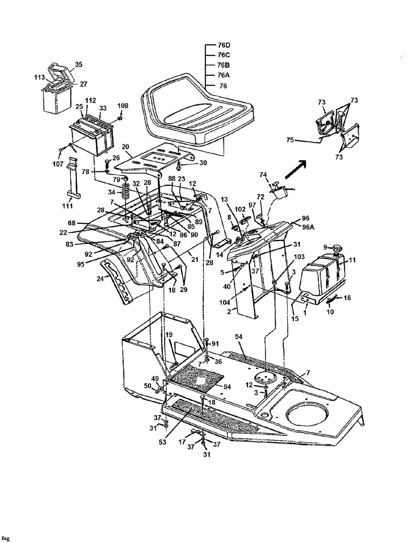
Kategorie / Technika maszyn ogrodniczych i leśnych / Katalogi  / MTD / Traktorki ogrodowe  / Części zamienne do kosiarki, traktorka MTD 11.5/32 / 136C450D678 (1996) 11.5/32 / Akumulator, siedzenie, błotnik, zbiornik paliwa 136C450D678 (1996)

 


1 17932
2 17933A
3 710-0118
5 710-0258
7 712-0267
8 725-0634
9 751-0603
10 726-0205
11 726-0209
12 736-0119
13 725-0267
14 725-0201
15 751-0553
16 751-0535-15
17 761-0194
18 710-0134
19 710-0793
20 783-0039
21 783-0354
22 17704
23 17703
24 17553
25 725-1705
26 710-0817
27 725-1633
28 710-0726
29 710-1017
30 710-0870
31 712-0287
33 783-0349
34 732-0588
35 731-0871B
36 736-0242
37 736-0329
40 736-0270
49 736-0217
50 712-0241
53 725-0308B
54 725-0309C
68 731-0511-81
72 746-0616A
73 831-0823A
74 710-0779A
75 746-0776
76 757-0345
76A 757-0338
76B 757-0348
76C 757-0364
76D 757-0365
78 736-0159
79 722-0160
83 710-0227
84 725-1439
85 732-0581B
86 17239A
87 726-0278
88 738-0155
89 738-0296
90 736-0141
91 710-0604
92 726-0279
94 723-0423
95 725-1303
96 731-1228
96A 731-1502
97 17782
102 725-0925
103 712-3007
104 710-0599
107 710-3015
108 712-0271
111 723-0444
112 725-0689
113 725-0690
 

 
 
AKTUALNOŚCI
 
©    Oprogramowanie sklepu internetowego web-market.pl