baner
Język: polski    Waluta:
   
Twój koszyk (0): 0.00 PLN
 
 
 

 
PRODUCENCI
 
 
 
 
LOGOWANIE
E-mail
Hasło
nie pamiętam hasła
 
 
 
 
NEWSLETTER
 
 

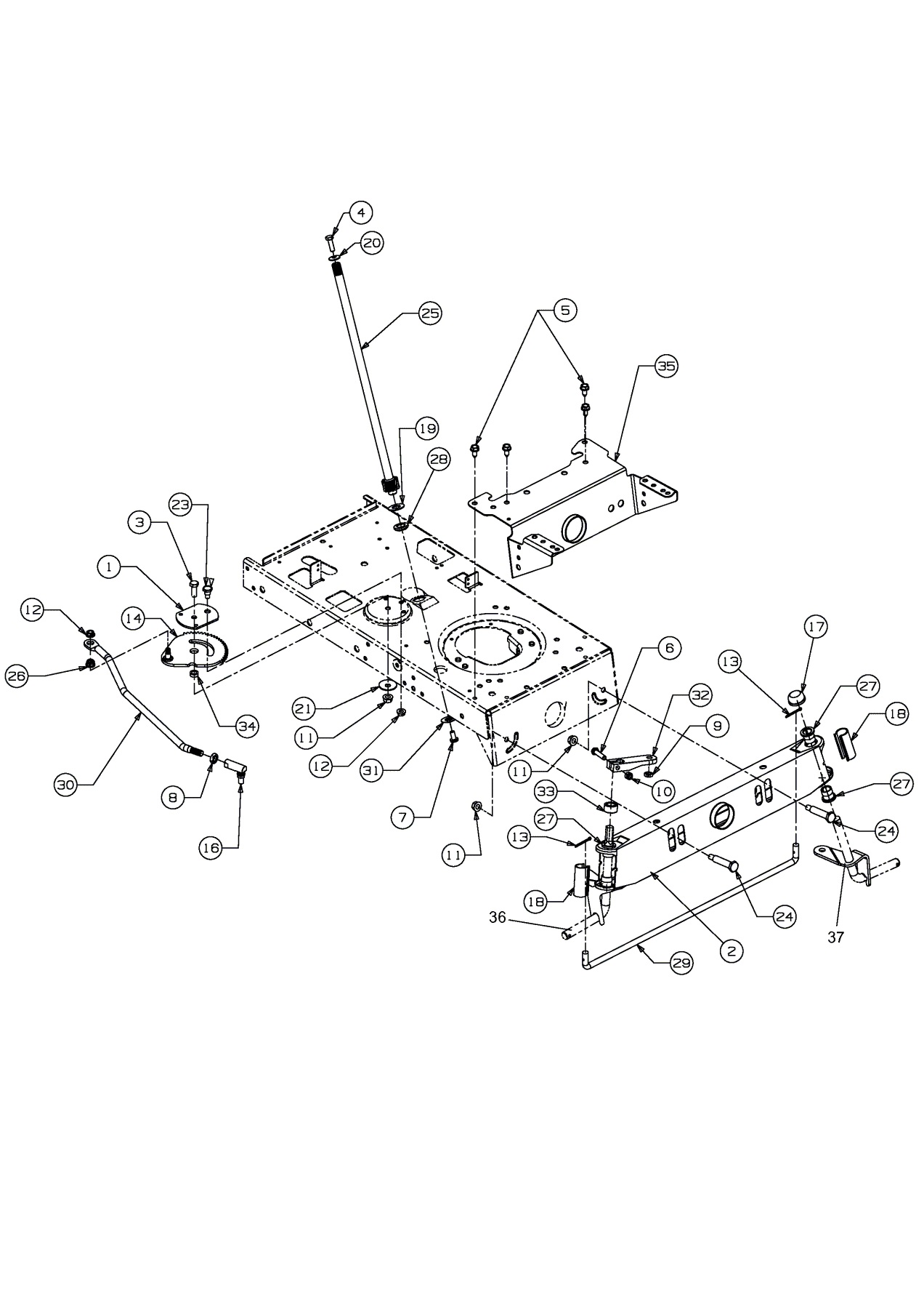
Kategorie / Technika maszyn ogrodniczych i leśnych / Katalogi  / MTD / Traktorki ogrodowe  / Części zamienne do kosiarki, traktorka MTD 11.5/96 / 13A1660F655 (2005) 11.5/96 / Układ kierowniczy, drążek obrotowy 13A1660F655 (2005)

 

1 17198A
2 683-0002B637
3 710-0514
4 710-0643
5 710-0726
6 710-0805
7 710-1309
8 712-0240
9 712-0262
10 712-0429
11 712-0431
12 712-3004A
13 714-0470
14 717-1757A
16 723-0448A
17 726-0214
18 731-04057A
19 736-0187
20 736-0242
21 736-0356
23 738-0141
24 738-0527
25 738-0919
26 741-0475
27 741-0487C
28 741-0656A
29 747-04008
30 747-1268B
31 748-0389
32 748-04014B
33 748-04020
34 750-0535
35 783-0041D637
36 683-04016
37 683-04015

 
 
AKTUALNOŚCI
 
©    Oprogramowanie sklepu internetowego web-market.pl