baner
Język: polski    Waluta:
   
Twój koszyk (0): 0.00 PLN
 
 
 

 
PRODUCENCI
 
 
 
 
LOGOWANIE
E-mail
Hasło
nie pamiętam hasła
 
 
 
 
NEWSLETTER
 
 

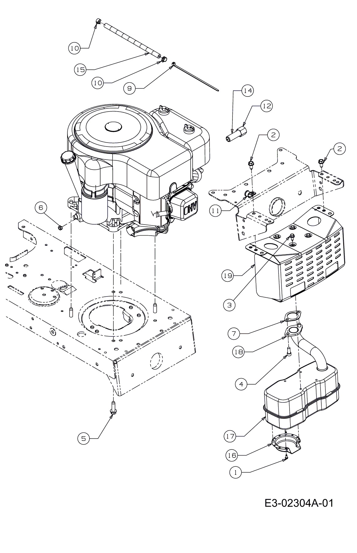
Kategorie / Technika maszyn ogrodniczych i leśnych / Katalogi  / MTD / Traktorki ogrodowe  / Części zamienne do kosiarki, traktorka MTD 11.5/96 / 13A1660F655 (2004) 11.5/96 / Akcesoria do silnika 13A1660F655 (2004)

 


1 710-0148
2 710-0726
3 710-0896
4 710-1314A
5 710-1315
6 712-0271
7 721-0208
9 725-0157
10 726-0205
11 726-0272
12 737-0143
14 737-0199
15 751-0535
16 751-0564A
17 751-0617A
18 751-0622A
19 783-0615C
 

 
 
AKTUALNOŚCI
 
©    Oprogramowanie sklepu internetowego web-market.pl