baner
Język: polski    Waluta:
   
Twój koszyk (0): 0.00 PLN
 
 
 

 
PRODUCENCI
 
 
 
 
LOGOWANIE
E-mail
Hasło
nie pamiętam hasła
 
 
 
 
NEWSLETTER
 
 

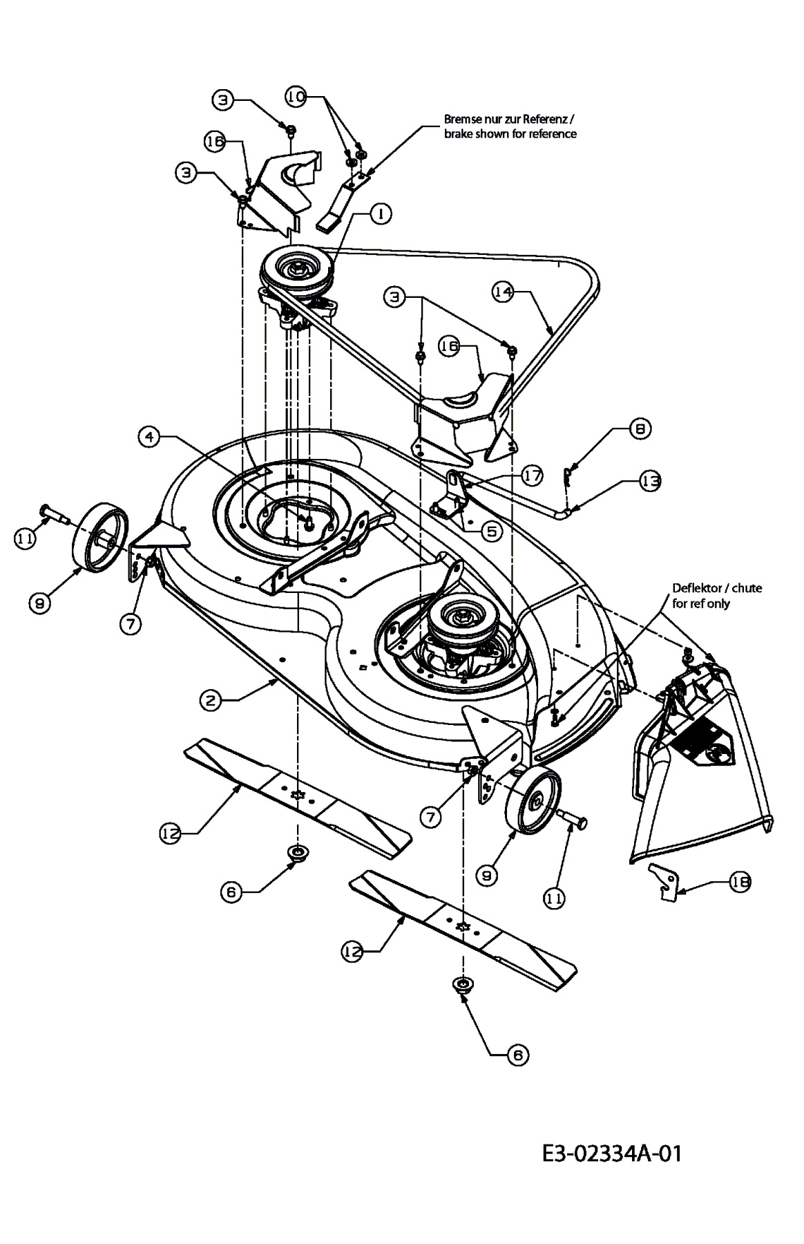
Kategorie / Technika maszyn ogrodniczych i leśnych / Katalogi  / MTD / Traktorki ogrodowe  / Części zamienne do kosiarki, traktorka MTD 11.5/96 / 13A1660F655 (2004) 11.5/96 / Platforma kosząca F (38 "/ 96 cm) 13A1660F655 (2004)

 


1 618-0138A
2 683-04093
3 710-0726
4 710-1260A
5 710-1611B
6 712-0417A
7 712-0431
8 714-04023
9 734-0973
10 736-3008
11 738-0373
12 742-04084
13 747-04018A
14 754-0329A
16 783-04148A
17 783-04211
18 783-1025
 

 
 
AKTUALNOŚCI
 
©    Oprogramowanie sklepu internetowego web-market.pl