baner
Język: polski    Waluta:
   
Twój koszyk (0): 0.00 PLN
 
 
 

 
PRODUCENCI
 
 
 
 
LOGOWANIE
E-mail
Hasło
nie pamiętam hasła
 
 
 
 
NEWSLETTER
 
 

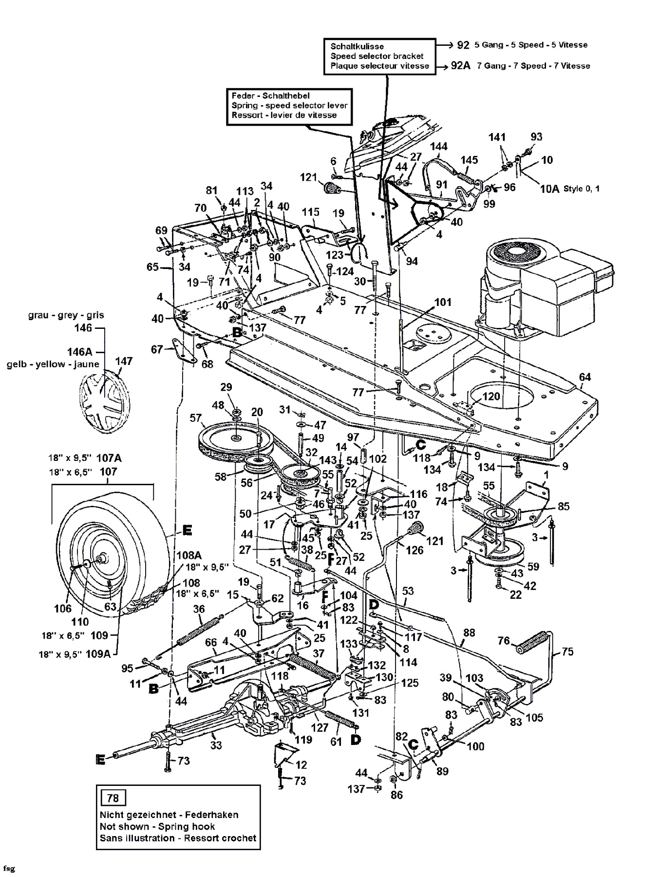
Kategorie / Technika maszyn ogrodniczych i leśnych / Katalogi  / MTD / Traktorki ogrodowe  / Części zamienne do kosiarki, traktorka MTD 11.5/32 / 135C450D678 (1995) 11.5/32 / Układ napędowy, koło pasowe silnika, pedał, tylne koła 135C450D678 (1995)

 


1 783-0265
2 712-0291
3 711-1044
4 712-0267
5 736-0242
6 710-0286
7 711-1000
8 736-0270
9 736-3072
10 749-0820
10A 749-0836
11 712-0138
12 17128A
14 736-0235
15 17694
16 16554A
17 16676A
18 17962
19 710-0118
20 710-0151
22 710-0757
24 711-0768
25 712-0241
27 712-0287
29 712-3035
30 710-0902
31 716-0114
32 717-0800A
33 618-0166D
34 736-0607
36 732-0384
37 732-0459
38 732-0568
39 736-0117
40 736-0119
41 736-0169
42 736-0171
43 736-0322
44 736-0329
45 736-0331
46 736-0355
47 736-0414
48 736-0427
49 738-0569
50 741-0405
51 741-0419
52 741-0495
53 747-0599A
54 750-0703
55 754-0280
56 754-0281
57 656-0003
58 756-0437
59 756-0551
60 732-0303
61 732-0413
62 748-0234
63 734-0255
64 17588A
65 783-0180A
66 16654
67 16659
68 710-0726
69 710-0258
70 725-1426
71 725-0459
72 736-0222
73 710-0176
74 710-0351
75 17644A
76 735-0239
77 710-1012
78 732-0722
80 711-0198
81 712-0271
82 714-0470
83 714-0507
85 714-0114
86 736-0256
88 747-0593
89 750-0800
90 725-0976A
91 17457B
92 16693B
92A 16694B
93 738-0138
94 711-0677
95 710-0428
96 714-0104
97 750-0703
99 736-0264
100 736-0463
101 747-0675A
102 736-0133
103 714-0115
104 736-0275
105 736-0278
106 710-0627
107 734-0592
107A 734-0817
108 734-0294
108A 734-0448
109 634-0069
109A 634-0070
110 736-0242
113 712-0298
114 17178A
115 17839
116 17597
117 710-0289
118 710-0599
119 714-0149B
120 725-1657A
121 720-0232
122 726-0231
123 732-0525
124 710-0650
125 736-0226
126 747-0694A
127 747-0685
130 17179
131 710-0227
132 726-0222
133 725-0758
134 710-0502A
135 710-0672
137 712-0123
141 736-0141
143 741-0404
144 777-0404A
144A 777-9586A
145 732-0691
146 734-1615
146A 734-1788
147 727-0425A
 

 
 
AKTUALNOŚCI
 
©    Oprogramowanie sklepu internetowego web-market.pl