baner
Język: polski    Waluta:
   
Twój koszyk (0): 0.00 PLN
 
 
 

 
PRODUCENCI
 
 
 
 
LOGOWANIE
E-mail
Hasło
nie pamiętam hasła
 
 
 
 
NEWSLETTER
 
 

Kategorie / Technika maszyn ogrodniczych i leśnych / Katalogi  / MTD / Traktorki ogrodowe  / Części zamienne do kosiarki, traktorka MTD 10/76 HN / 131-520C (1991) 10/76 HN / Układ napędowy, koła 131-520C (1991)

 


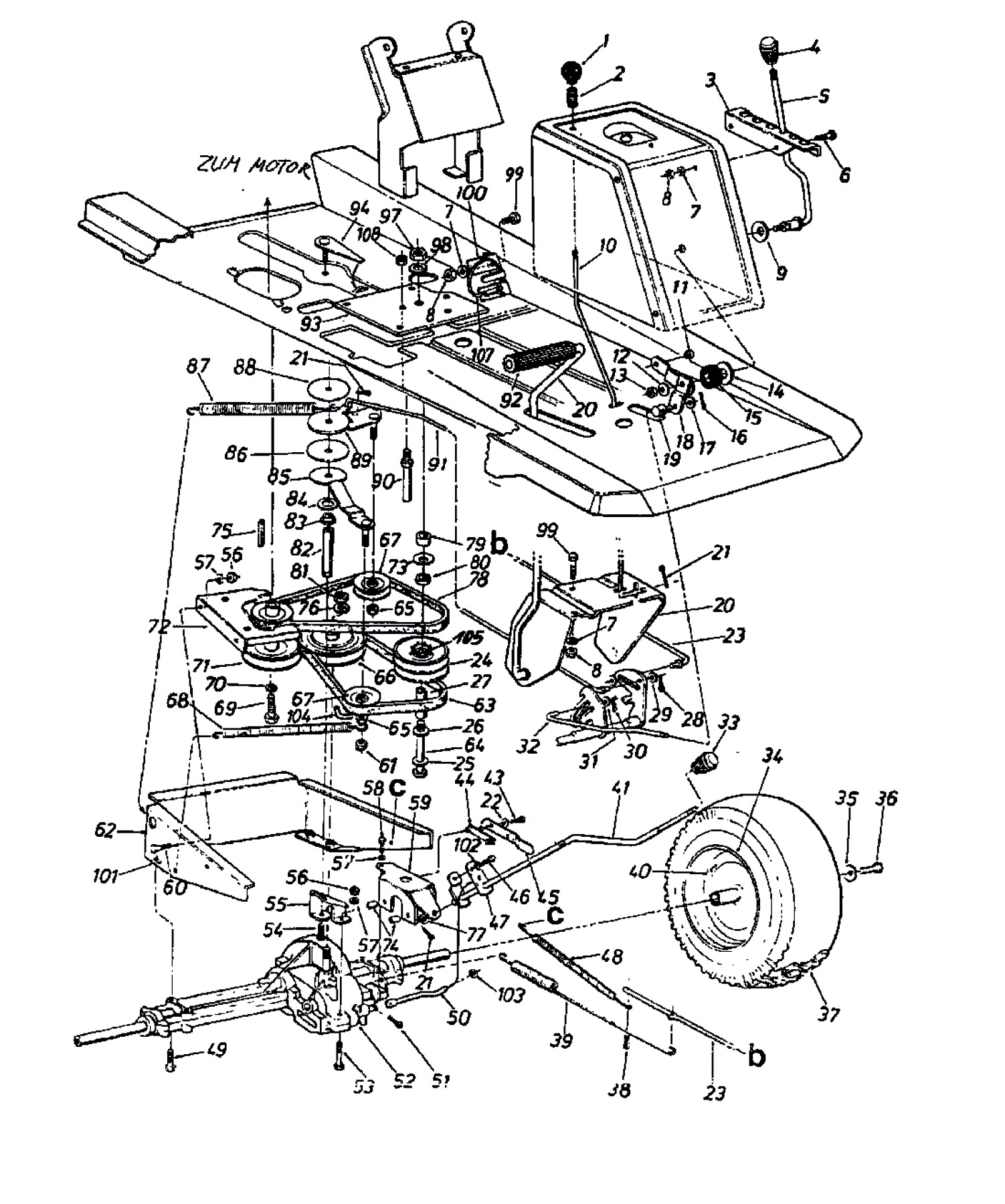
1 720-0187
2 732-0437
3 16389
4 720-0232
5 747-0652
6 710-0323
7 736-0119
8 712-0267
9 736-0253
10 747-0427
11 731-0493
12 736-0242
13 712-0158
14 736-0100
15 735-0219
16 714-0145
17 736-0275
18 16396
19 711-0677
20 17677
21 714-0507
22 736-0426
23 747-0431
24 717-0884
25 736-0247
26 741-0405
27 750-0705
28 714-0115
29 736-0275
30 714-0104
31 736-0275
32 747-0394A
33 720-0232
34 734-0594
35 736-0242
36 710-0627
37 734-0591
38 714-0470
39 732-0389
40 734-0255
41 16475
43 710-0227
44 726-0222
45 732-0615
46 710-0289
47 16476
48 732-0487
49 710-0378
50 747-0668
51 714-0149B
53 710-0136
54 710-0180
55 15564A
56 712-0287
57 736-0329
58 710-0965
59 17515A
60 710-0597
61 712-0262
62 15552
63 754-0240
64 710-0693
65 712-0116
66 756-0390
67 756-0116
68 732-0308
69 710-0314
70 736-0171
71 756-0521
72 15623
73 736-0219
74 750-0686
75 714-0114
76 736-0921
77 736-0226
78 754-0241
79 750-0706
80 741-0405
81 712-0922
82 711-0676
83 748-0294
84 736-0187
85 15569B
86 736-0283
87 732-0556
88 736-0284
89 15585
90 711-0640
91 747-0560
92 735-0196
93 783-0005
94 15642
97 712-0798
98 736-0217
99 710-0118
100 17839
101 712-0265
102 736-0270
103 726-0231
104 747-0758
105 741-0136
107 732-0525
108 712-0181
 

 
 
AKTUALNOŚCI
 
©    Oprogramowanie sklepu internetowego web-market.pl