baner
Język: polski    Waluta:
   
Twój koszyk (0): 0.00 PLN
 
 
 

 
PRODUCENCI
 
 
 
 
LOGOWANIE
E-mail
Hasło
nie pamiętam hasła
 
 
 
 
NEWSLETTER
 
 

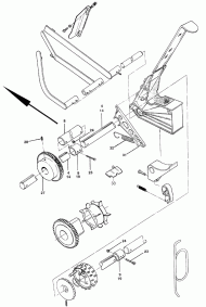
Kategorie / Części maszyn / Amazone / Siewnik / Katalog / D8-45 Super, D8-60 Super / 6

 


ohne 953319    
ohne 3574000    
ohne 3349310 
4 3349310    
8 3434300    
9 3787500    
14 3812500    
19 3787500    
23 DA312    
24 DE080    
27 3050500    
28 DA136    
31 3759500    
32 HA136 
33 956103    

3574000 Wałek wysiewający
 


1093.86 PLN  Dodaj szt.

953319 Wał łączący
 


341.26 PLN  Dodaj szt.

956103 Zgarniacz nasion drobnych, pasuje do Amazone
 


17.81 PLN  Dodaj szt.

3759500
 


97.16 PLN  Dodaj szt.

3812500 Rolka
 


859.06 PLN  Dodaj szt.

3434300 Mufa łącząca, 30x5x140 mm
 


193.42 PLN  Dodaj szt.

3349310 Wał siewny
 


763.45 PLN  Dodaj szt.

1
 
 
AKTUALNOŚCI
 
©    Oprogramowanie sklepu internetowego web-market.pl