baner
Język: polski    Waluta:
   
Twój koszyk (0): 0.00 PLN
 
 
 

 
PRODUCENCI
 
 
 
 
LOGOWANIE
E-mail
Hasło
nie pamiętam hasła
 
 
 
 
NEWSLETTER
 
 

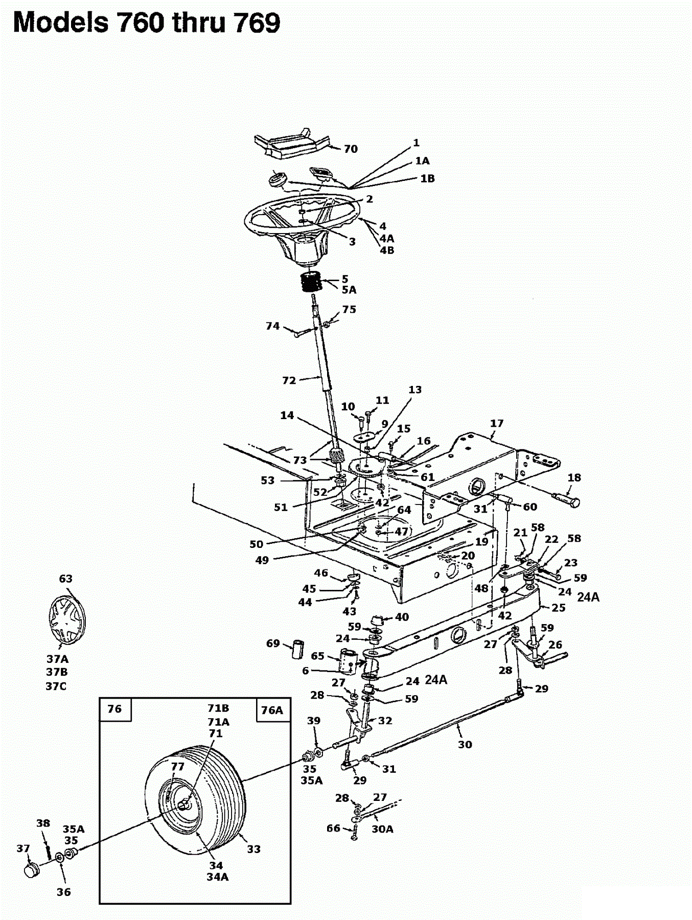
Kategorie / Technika maszyn ogrodniczych i leśnych / Katalogi  / MTD / Traktorki ogrodowe  / Części zamienne do kosiarki traktorka MTD 125/102 / 135K761N602 (1995) 125/102 / Oś przednia 135K761N602 (1995)

 
 
 
AKTUALNOŚCI
 
©    Oprogramowanie sklepu internetowego web-market.pl