Język:
Waluta:
PLN
Start
Regulamin
Kontakt
Dostawa
O nas
Właśnie szukamy produktów dla Ciebie. Mamy ich bardzo dużo. Prosimy o chwilę cierpliwości...
Twój koszyk
(0): 0.00 PLN
KATEGORIE
Części maszyn
Technika ciągników i Technika pojazdowa
Artykuły do produkcji zwierzęcej i budynki inwentarskie
Farby do maszyn i ciągników
Gospodarstwo, warsztat, ogród
Hydraulika, materiały uszczelniające, technika napędowa i mocowanie
Naprawa maszyn, narzędzia warsztatowe
Ogród i las
Technika opryskowa
Zabawki rolnicze i budowlane
Akcesoria zimowe
Gadżety i prezenty
PRODUCENCI
--- wybierz firmę ---
3M
ABA
ABUS
Accessories for Slurry Tanks
Active
Adam Pumps
Adler
Adlus
ADR
Agco
Agreto
Agri-fab
agria
Agromet ZEHS Lubań
Agroplast
AGROTOP
AGS
AGTECH
Ajba
AK Regeltechnik
Akerströms
AKO
AKROH
AL-KO
Albert Berndes
Albuz
ALFAGOMMA
Allflex
Allweiler
ALPINA
AMAZONE
Amir
AMP/TYCO
Amphenol
Andre
ANI
ANNOVI REVERBERI
Ansell
APEM
Apollo
ARAG
Arcoa
ARCOA
Argo-Hytos
Armigo
Armigo
Armor All
Arnetoli
ARVUM
AS-Motor
AT-Collectrions
ATAM/CNE
Atco / Suffolk / Qualcast / Webb
Atlas
Axenol
AYP
Badestnost
Bagramet
BAHCO
Balluff
Baltrotors
Bandimex
Banjo
Baratti
Bass
Batteries
Battioni Pagani
Battista Porteri BPT
BAUER
Bauer Südlohn
Bayer
Bburago
BDFast
BECKER
Beko
Belarus
Bellota
Bepco
BERGER
Berma
Bernhofer Gesenkschmiede
Berthoud
Bertolini
Best-Past
Betafence
BETRA
BEVRO
Bianchi
BIC
BIG
Binder
BIRCHMEIER
BlackRuin
Blades & Accessories
BMI
Bobcat
Bogballe
BOMECH
Bondioli & Pavesi
Bonfix
Bonnel
Borelli
BOSCH
Bosch Rexroth
BOSMA
BOXER
BPW
BRAGLIA
Brand Specific Harvester NO
Brand specific Non OE
Brand Specific Non-OE
Brand Specific Parts G&F NO
Braun
Brennenstuhl
Brevini
Briggs & Stratton
Briggs&Stratton
Brill
Britains
Britains
Britax
BROS
Bruder
Bruder
BSA
Bucher
Bugnot
Bullyland
Bunkowski
Burndy
Burnett & Hillman
Busatis
Cab General
Cab Glass Tractor
Calix
Camozzi
Canagri
Cappon
Carolus
Carolus
Carraro
Casappa
Case IH
Case-Steyr
Castelgarden
CASTROL
CAT
CBM Group
Cejn
Cellfast
Cemo
CHAMPION
Chełmno
CLAAS
Class3_desc
Cleaners
Clemens
Clothing
Clutches
CNH
COBO
Comatrol
Combine Cutting System
Comer
COMET
ComfortTech
Compressors & Spare Parts
ConXall
CRC
Cultivator Parts
CX/PL
DAB
Daken
Dal-Bo
Danfoss
Daye
DAYE
DeLavel
DELPHI
Deutsch
Deutz
DEUTZ-FAHR
DeWit
Di Natale-Bertelli
Dicsa
Digger
DNP
DOGA
Donaldson
Dowdeswell
Doyma
DRB Dongil
DUNLOP
Dura
Duravis
E. SASSONE
EASYPUMP
Eckart
ECOLAB
EDA
ELAFLEX
Elbe
Elite
Elring
Engine Parts Tractor
Engitech
Ergo - Schnitt
ERICH JAEGER
ERING
Ertl
ESM
ET
Etesia
Eurofluid
Eurogan
Eurotechnics
EVERS
EXPERT
EXPOM KWIDZYN
EZO
Facom
FAG
Fagumit
Famco
Farma
Farmet
Farmflex
FASTER
FELLA
Fencing Products
Fendt
Ferobide
FERRONI
Festo
Feuer-Vogel
Fiatagri
Fiatagri
Filters
Fini
FIONA
FISKARS
Fleetguard
Flexco
Flora
Flowconcept
FluidPress
Flymo
FŁT/KRAŚNIK
Forage Harvester Wear Parts
Four wheel drive Axles
Fox
Freshfilter
FREUND
Frielinghaus
FSDT
FTE
FTT Wolbrom
FUCHS
FULBAT
Gallagher
GANGL
Gard
Garden Tools & Accessories
GARDENA
Gaspardo
GATES
Gear Pumps
GEDORE
GEOline
Gerlach
GKN
GLORIA
Good Vibrations
Gopart
GP
Grammer
Granit
Greenworks
Gregoire-Besson
Gregorie
Grene
Grimsholm
GROZ
Gutbrod
GWB
GWT
Gys
HA-Stocker
Haase
HALDEX
Hallite
Handtools
HARDI
Hatz
HaVeP
HELLA
HENKE
Herder
Hifi
HiFi Filter
HiKoki
Hitachi
Holaras
HOLDER
HONDA
Honeywell
Horsch
Hosp
Howard
Hunersdorff
Husqvarna
Hydreco
Hydrogear
Hydrotor Tuchola
Hylmet
HYPRO
IDC
Ikron
IMAV Hydraulics
iMaXX
IMO
INA/FAG
Indemar
INNY
Installation
Instruments
Internormen
ITT
JAGTENBERG
JCB
JF
JHJ
JO BEAU
JOAL
John Deere
Jokon
Jonsered
JOST
Jtekt/Koyo
K2
KABAT
Karsit
Kawasaki
KAWE
KCL
Kerbl
Keron
Kersia
Kids Globe
Kipp
Kipp
Klac
Klein
Klepp
Knipex
Knomi
KNOTT
Köckerling
Kohler
Kolbenschmidt
KOMFORT
Kongskilde
Köppl
Koyo
KRAMP
Krone
Kubota
KUHN
Kverneland
Kverneland / Accord
LA BOVETTE
La Buvette
LECHLER
Lely
Lemigo
Lemken
Lessmann
Lighting
LINAK
Linkage
Lisam
LISCOP
Lister
Loctite
Lokhen
Lombardini
Loncin
LUCAS
LUDECKE
LUK
LuxTek
LYSBRO
MA Professional
MA.RI.NA
Mahle
Manitou
MANN-FILTER
MarGe Models
Marolex
Maschio
MASTER
MATABI
Matador
Mato
Maxigrip
Mazon
Mc-Culloch
McBULL
Measuring & Testing
MEKRA-LANG
Merlett
Merlo
Metabo
MF
Midlock
Milsco
Mintor
Mitsuboshi
Mitutoyo
MixRite
MMAT
Moje Auto
Molbro
Monoflo
Monosem
Mortl
Möscha
Motip
Motorart
MP Filtri
Mr. Funnel
MT Cobo
MTC
MTD
Multifan
Murray
Murray
MZ
Neumeister Hydraulik
New Holland
New-Elfin
NGK
NIEMEYER
Nilos
Non Original
NORMA
North Star
Norton
Novadan
Nozal
NSK
NTZ
Oase/Hezo
Ochsenkopf
Office
OFFNER
Ogród Start
OHB
OK PLAST
OK PLAST
OKO
Olejnik
Oleo Tecnica
Oleodinamica Marchesini
Omal
OMFB
OMT
Optibelt
Optima
Oregon
ORGATOP
Orlen
Ostendorf
Otico Farmflex
Overum
Paint & Accessories
Panclean
Parker
Parmatex
Parol
Partner
Peerless
Perfect
Perkins
Perrot
PESTPRO
Petzl
Philips
Pipes & Fittings
Pister
Piusi
PL/KRAŚNIK
Plasson
PNEUTRON
Poclain
Polet
Polix
POLMAC
POLMO
Potato Harvester Crop Conveyor
Pöttinger
Powell
PRESSOL
prevost
producent
producer
PROFIL
Proline
Pronar
RABE
Raico
Raidex
RaJa-Lovejoy
RAM
Ramus
Rapid
Rasspe
REHWALD
Reinz
Rema
Rema Tip Top
Rensi
Replicagri
Retail & Shop Products
Rex Pro
REXNORD
Ri.ma
Riv
River
River
RLW
Ro-Carr
Robomow
ROCKINGER
Roller Chain & Links
Rolly Toys
ROLMAR
ROMANIK
Roques et Lecoeur
ROS
Rosta
ROTA
RUBIG
Rumptstad
Ryobi
Sabo
Sacex
SACHS
Safeplast
Safim
Sagab
SAIP
Salvarani
Salzgitter
Samasz
Sanok
SATURN
SAUERMANN
Scharmuller
Schneider-Electric
Schrijver
Schuco
Schumacher
SDF
SDF Group
Sears
Seepex
Sensoric
Seven
Showa
Shurflo
SHW
SIC
Side Knives
SIKA
Siku
Simol
Simplicity - Snapper
SIP
Sipma
SKF
Skropol
SMAT NORD
SOLO
Sonnenschein
SOPPEC
SPAREX
Spicer Dana
Spirale
Spradow
Springs, Rivets & Hose Clips
Stabilus
Stable Equipment
Stanley
Stanmot
Starco
STARLOCK
Starmix
STEEL POWER
Steeno
Steering Parts
STIGA
Stihl
Stoll
Suco
Suevia
Sulky
Sun
Sunfab
Tacomec
TALLAS
TeeJet
TEFEN
TEGER
Telemecanique
Telwin
Tente
Teroson
TESA
Tielbürger
Till Hydraulik
Tillotson
TIMKEN
TipTop
Tognella
Tonkin Replicas
Toro
toroflex
Tortella
TOWA
Transmission Parts
Trelleborg
Tricoflex
TRIOLIET
Trioliet-Mullos
TRONICO
TRUE TEMPER
Tsubaki
Tuff Torq
Tulip
Turck
TVL
Tyrolit
UDOR
Ultra Clean
UNIA
Univet
UNIWERSAL
URSUS
V-Belts
V-Coil
Vaderstad
Valeo
Van de Lande BV
Vapormatic
VARTA
VECO
VERO
Vicon
Viking
Vink
Vogel & Noot
Vogelsang
Volkel
Voss
Voswinkel
VOTEX
WABCO
Wago
Walbro
Walterscheid
Walvoil
Waryński
Washers & Spacers
Waś
Waś
WD40
Weasler
Webtec
Weedlover
WEISE
Welding Products
WELTERSCHEID
Wera
WEY
WEYER
White
WIKA
Wiking
WILE
Wippermann
Wisconsin
WM Kartoffeltechnik
Wolf-Garten
Xtreme
Yanmar
Zama
Zetor
ZF
ZILL
PROMOCJE
180421060KR Zestaw kluczy nasadowych 3/4” 20 ele.Kramp
960.00 PLN
więcej
Do koszyka
006410 Łącznik węża mosiądz Arag, 8 mm
6.50 PLN
więcej
Do koszyka
1311700 Koło łańcuchowe napinające, Z-16, Amazone AD, AD2; RP-AD2, AD-P, Airstar, Cataya, C-Drill, Cirrus, Citan, Condor, D8, D9, ED, EDX, FTender, GBK; GNK; HR, JET, MD, Precea, Primera, FS, RPD; AD8, Variant, ZA-M, ZA-ML
70.00 PLN
więcej
Do koszyka
pokaż wszystkie »
LOGOWANIE
E-mail
Hasło
nie pamiętam hasła
NOWOŚCI
CL3DKR Zawleczka Beta podwójna, 3 mm
1.88 PLN
więcej
Do koszyka
04030126 Korpus pompy
3742.70 PLN
więcej
Do koszyka
PRE13005 Dysza do oprysku roślin PRE 130-05
79.02 PLN
więcej
Do koszyka
pokaż wszystkie »
NEWSLETTER
Chcę otrzymywać informacje o promocjach i nowościach w sklepie. Wyrażam zgodę na przetwarzanie mojego adresu e-mail zgodnie z ustawą o ochronie danych osobowych w celu otrzymywania informacji handlowej. Podanie danych osobowych jest dobrowolne. W każdej chwili masz prawo wycofać zgodę na przetwarzanie Twoich danych osobowych. Informacja o administratorze danych osobowych podana jest w zakładce Regulamin.
Wyniki wyszukiwania
Zapytanie o produkt
Wyrażam zgodę na przetwarzanie moich danych osobowych w celu realizacji zamówienia zgodnie z art. 23 ustawy z dnia 29 sierpnia 1997 r. o ochronie danych osobowych (Dz. U. Nr 133 z 1997 r. poz 883 z późn. zm.). Podanie danych jest dobrowolna, jednak konieczne w celu realizacji Twojego zamówienia. W każdej chwili masz prawo wycofać zgodę na przetwarzanie Twoich danych osobowych. Twoje dane mogą zostać przekazane, tylko i wyłącznie w celu realizacji zamówienia, do operatora płatności on-line w celu dokonania płatności za zamówienie oraz do firmy kurierskiej w celu dostarczenia przesyłki z Twoim zamówieniem. Informacja o administratorze danych osobowych podana jest w zakładce Regulamin.
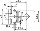
MK2 Zestaw montażowy 2 regulatora ciśnienia Kramp
Cena brutto:
55.00
PLN
Cena netto:
44.72
PLN
Koszt dostawy: 20.00 PLN
PLN
szt.
Stawka VAT: 23%
Kod produktu: MK2
PKWiU:
Waga: 0.200 kg
Czas wysyłki: 5 dni
Jednostka miary: szt.
Ilość w magazynie: po zalogowaniu
Producent:
KRAMP
Jeśli nie znaleźli Państwo interesującego produktu na naszej stronie, zapraszamy do kontaktu - chętnie pomożemy i sprawdzimy dostępność.
Numer części
MK2
EAN
8716106692460
Jednostka
Sztuka
Marka
Kramp
Typ
Pojedynczy
Ilość otworów montażowych
2
Informacje GPSR
Oświadczam, że produkt wprowadzono do obrotu w Unii Europejskiej przed 13 grudnia 2024 r. i jest zgodny z ówczesnymi przepisami bezpieczeństwa
BESTSELLERY
02356200 Klosz lampy tylnej, lewy/prawy
38.00 PLN
więcej
Do koszyka
45500004050 Dźwignia do serii 455
13.37 PLN
więcej
Do koszyka
RME60 Łożysko z obudową okrągłe, kompletne RME60, O 60 mm
886.16 PLN
więcej
Do koszyka
pokaż wszystkie »
AKTUALNOŚCI
©
Oprogramowanie sklepu internetowego web-market.pl