baner
Język: polski    Waluta:
   
Twój koszyk (0): 0.00 PLN
 
 
 

 
PRODUCENCI
 
 
 
 
LOGOWANIE
E-mail
Hasło
nie pamiętam hasła
 
 
 
 
NEWSLETTER
 
 

Kategorie / Hydraulika, materiały uszczelniające, technika napędowa i mocowanie / Hydraulika / Rozdzielacze, zawory liniowe i elementy sterujące / Zawory liniowe

 
CB10HV3A1E2004 Zawór zwrotny podwójny 1/2"
Cena brutto: 1536.41 PLN
Cena netto: 1249.11 PLN
Koszt dostawy: 20.00 PLN PLN

szt.





Stawka VAT: 23%
Kod produktu: CB10HV3A1E2004
PKWiU:
Waga: 0.000 kg
Czas wysyłki: 5 dni
Jednostka miary: szt.
Ilość w magazynie: po zalogowaniu
Producent: Comatrol


Jeśli nie znaleźli Państwo interesującego produktu na naszej stronie, zapraszamy do kontaktu - chętnie pomożemy i sprawdzimy dostępność.
CB10HV3A1E2004 Zawór zwrotny podwójny 1/2"
  • CB10HV3A1E2004 Zawór zwrotny podwójny 1/2"
  • CB10HV3A1E2004 Zawór zwrotny podwójny 1/2"

 
Numer części CB10HV3A1E2004
Jednostka Sztuka
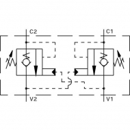
Specyfikacje - Regulowana funkcja utrzymania ładunku i przytrzymania dla przewodu A i B
Korzyści - Umożliwia płynne, kontrolowane ruchy i dokładne pozycjonowanie ciągniętych i pchanych ładunków
Zastosowanie - Wysokie ciśnienie i umiarkowany strumień objętości
- Ładowarka teleskopowa
- Wózek widłowy
- Ładowacz czołowy
- Zastosowanie dźwigu
Właściwości - Zabezpieczenie węża przed pęknięciem
- Ochrona przed ciśnieniem szczytowym na skutek działania skrajnej siły
- Ochrona przed kawitacją dla użytkownika
- Ciśnienie otwarcia zależy od ustawionego ciśnienia, ciśnienia obciążenia i od stosunku ciśnień sterujących
Składa się z - 2 wkłady
- Obudowa
Informacje techniczne - HV: hydraulicznie odciążane komory sprężynowe A, B i T w położeniu neutralnym muszą być ze sobą połączone
- AV: odpowietrzone komory sprężynowe A i B mogą zostać zamknięte w położeniu neutralnym
- Ustawione ciśnienie powinno być o ok. 30% większe niż maksymalne ciśnienie obciążania
- Wysokie ciśnienie zwrotne może mieć negatywny wpływ na działanie zaworu
- O dwustronnym działaniu, konstrukcja wkładu
- Montaż w przewodzie jak najbliżej odbiornika
- Wolny przepływ z V do C
Rodzaj regulacji Zewn
Otwór Aluminium
Stosunek ciśnienia sterującego 3 : 1
Listwa podłogowa Jako wkładka zaworowa przewodu
E 100.00 mm
Ciśnienie robocze max. 250 BAR
Średnica otworu montażowego 7 mm
Materiał Obudowa aluminium, uszczelnienia Buna-M
A Długość 125,5 mm
B Wysokość 80 mm
C Grubość 38 mm
Z Z 7 mm
Ciśnienie otwarcia Depends on pressure setting, load pressure and control pressure ratio BAR
Zakres ciśnienia 80 - 230 BAR
C-V (BSP) 1/2" BSP
Przepływ max. 60 L/m



Informacje GPSR

Oświadczam, że produkt wprowadzono do obrotu w Unii Europejskiej przed 13 grudnia 2024 r. i jest zgodny z ówczesnymi przepisami bezpieczeństwa

 
 
AKTUALNOŚCI
 
©    Oprogramowanie sklepu internetowego web-market.pl