baner
Język: polski    Waluta:
   
Twój koszyk (0): 0.00 PLN
 
 
 

 
PRODUCENCI
 
 
 
 
LOGOWANIE
E-mail
Hasło
nie pamiętam hasła
 
 
 
 
NEWSLETTER
 
 

Kategorie / Części maszyn / Technika nawożenia i gnojowicy

 
8250000Z Złącze KKM kielichowe do przyspawania Perrot, 8"
Cena brutto: 325.42 PLN
Cena netto: 264.57 PLN
Koszt dostawy: 20.00 PLN PLN

szt.





Stawka VAT: 23%
Kod produktu: 8250000Z
PKWiU:
Waga: 0.000 kg
Czas wysyłki: 5 dni
Jednostka miary: szt.
Ilość w magazynie: po zalogowaniu
Producent: KRAMP


Jeśli nie znaleźli Państwo interesującego produktu na naszej stronie, zapraszamy do kontaktu - chętnie pomożemy i sprawdzimy dostępność.
8250000Z Złącze KKM kielichowe do przyspawania Perrot, 8"
  • 8250000Z Złącze KKM kielichowe do przyspawania Perrot, 8"

 
Numer części 8250000Z
Jednostka Sztuka
Specyfikacje - Wersja z niepowlekanej stali
Korzyści - Dobre właściwości zgrzewające
Składa się z - Bez pierścienia samouszczelniającego
Materiał Polished steel
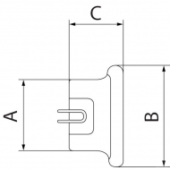
A Średnica otworu 216 mm
C Długość 115 mm
B Średnica zewnętrzna 287 mm
KKM (inch) 8 in



Informacje GPSR

Oświadczam, że produkt wprowadzono do obrotu w Unii Europejskiej przed 13 grudnia 2024 r. i jest zgodny z ówczesnymi przepisami bezpieczeństwa

 
 
AKTUALNOŚCI
 
©    Oprogramowanie sklepu internetowego web-market.pl